Двухосевой поворотный стол с наклоном от ЧПУ CNCT-800 GSA+
Модель: | ![]() |
CNCT-800 |
Производитель: | ![]() |
GSA |
Компактный дизайн позволяет устанавливать на станки с длиной стола от 1 м. Простая установка на традиционные 3-осевые станки. С помощью 1-осевого контроллера GSA+, подключаемого к системе ЧПУ через М-коды для программируемого наклона стола, можно производить 5-осевую обработку без изменения конструкции станка и его электрооборудования.
По требованию заказчика стол может быть оснащен как гидравлическим, так и пневматическим зажимным устройством. Для повышения точности позиционирования может быть установлен фотоэлектрический датчик.
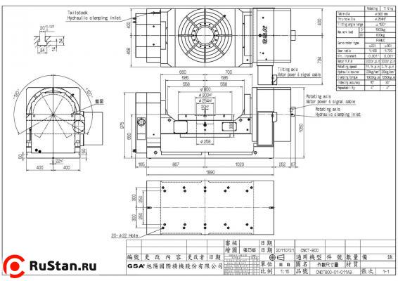
Технические характеристики CNCT-800 | ||
---|---|---|
Параметр | Ед. изм. | Значение |
Диаметр | мм | 800 |
Высота центра | мм | 650 |
Общая высота | мм | 1050 |
Вес CNCT-800 нетто (без двигателя) | кг | 4850 |
Центральное отверстие | мм | 254Н7 |
Ширина Т-пазов | мм | 20Н7 |
Ширина направляющего сухаря | мм | 22Н7 |
Поворот и наклон | |||
---|---|---|---|
Параметр | Ед. изм. | Поворот | Наклон |
Сервомотор Meldas | НF-354S | НF-453S | |
Сервомотор Fanuc | a22i | a30i | |
Сервомотор Siemens | 1FK7101 | 1FK7103 | |
Сервомотор Heidenhein | QSY155D | QSY155F | |
Передаточное число | 1:180 | 1:720 | |
Угол наклона | град | -120…120 | -120…120 |
Минимальный угол | град | 0,001 | 0,001 |
Максимальные обороты | об/мин | 11.1 | 2.7 |
Усилие пневмозажима | кг*м | - | -/1250 |
Усилие гидрозажима | кг*м | 1000 | - |
Точность позиционирования | 15” | 30” | |
Повторяемость | с | ±4” |
Максимальные нагрузки | |||
---|---|---|---|
Параметр | Схема | Ед. изм. | Значение |
Максимальная вертикальная нагрузка | ![]() | кг | W = 600 |
Максимальная горизонтальная нагрузка | ![]() | кг | W = 1000 |
Максимальное радиальное усилие | ![]() | кг | F = 2600 |
Максимальное радиальное усилие | ![]() | кг*м | FxL = 1250 |
Максимальное радиальное усилие | ![]() | кг*м | FxL = 460 |
Максимальная рабочая инерция | ![]() | кг*см*сек2 | 1000 |
Комментарии и вопросы:
Комментариев пока нет, но ваш может быть первым.Разметить комментарий или вопрос
Отзывы о CNCT-800:
Отзывов пока нет, но ваш может быть первым.Компания-изготовитель оставляет за собой право на изменение комплектации и места производства товара без уведомления!
Обращаем Ваше внимание на то, что информация на сайте не является публичной офертой!