Ленточнопильный станок с гидроразгрузкой Stalex ARG 300 Plus Е
| Модель: | ![]() |
ARG 300 Plus Е |
| Артикул: | ![]() |
102036 |
| Производитель: | ![]() |
STALEX |
| Сертификат: | ![]() |
Официальный дилер |
Техническое описание станка ARG 300 Plus Е
Универсальный ленточнопильный станок ARG 300 Plus Е предназначен для использования в условиях серийного производства, металлообрабатывающих мастерских и ремонтных цехах. Конструкция на базе отливок из серого чугуна обеспечивает высокую виброустойчивость и точность реза. Ленточное полотно размером 27×0,9 мм позволяет обрабатывать широкий спектр материалов, включая нержавеющие и инструментальные стали.
Подъем рамы осуществляется вручную, рабочая подача — под собственным весом рамы с регулировкой скорости дроссельным клапаном гидроцилиндра. После окончания реза привод автоматически останавливается. Пружинная система облегчает подъем рамы и позволяет регулировать усилие.
Универсальные тиски обеспечивают пиление под углом от -45° до +60°. Поворотный стол исключает повреждение рабочей поверхности. Современная пильная рама со шкивами увеличенного диаметра снижает нагрузку на полотно, повышает точность и срок службы инструмента. Вся электропроводка и трубки СОЖ скрыты внутри рамы и защищены от повреждений; задний кожух на петлях упрощает обслуживание и замену полотна.
Особенности конструкции
- Основные компоненты из серого чугуна — высокая жесткость и виброустойчивость.
- Современный дизайн рамы для обработки заготовок больших размеров.
- Плавная регулировка угла реза от -45° до +60° с фиксацией на 45°, 60° и 90°.
- Массивные быстрозажимные тиски (ручной зажим + рычаг быстрой доводки).
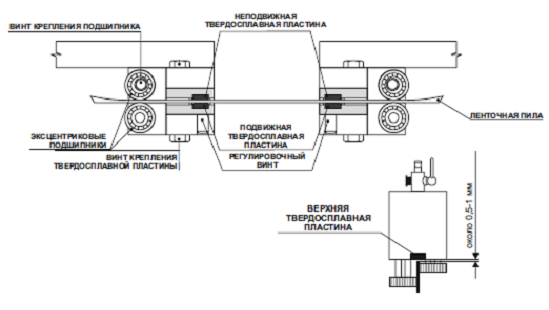
- Шкивы большого диаметра и трехсторонние твердосплавные направляющие пилы — увеличение стойкости полотна и точности реза.
- Бесшумный червячный мотор-редуктор, не требующий обслуживания.
- Трехфазный двухскоростной двигатель (400 В) с выбором скорости 40/80 м/мин.
- Высокопроизводительный насос СОЖ с раздельной регулировкой потока на обе направляющие; бак и помпа размещены внутри тумбы.
- Эргономичная панель управления на тумбе станка.
- Опционально: щётка для очистки ленточного полотна с синхронизированным приводом от ведущего колеса.
Цикл пиления
- Установка заготовки в тиски.
- Нажатие кнопки «Пуск» на пульте управления — полотно начинает вращаться.
- Настройка скорости опускания рамы маховиком гидрорегулятора.
- После завершения реза станок автоматически отключается в нижнем положении рамы.
- Оператор поднимает раму вручную на необходимую высоту и устанавливает следующую заготовку.
Технические характеристики ARG 300 Plus Е |
||
|---|---|---|
| Характеристика | Значение | |
| Модель | ARG 300 Plus Е | |
| Главный двигатель | 400 В, 50 Гц, 1,2 / 1,55 кВт (двухскоростной) | |
| Мотор помпы СОЖ | 400 В, 50 Гц, 0,05 кВт | |
| Скорость резания | 40 / 80 м/мин (две ступени) | |
| Привод | Зубчатый (червячный редуктор) | |
| Углы поворота рамы | -45° … 0° … +45° … +60° | |
| Максимальные размеры заготовки, мм | ||
| круг (диаметр) при +90° / -45° / +45° / +60° | 300 / 220 / 240 / 155 | |
| квадрат при +90° / -45° / +45° / +60° | 290 / 190 / 190 / 150 | |
| прямоугольник при +90° | 360 × 190 | |
| прямоугольник при -45° | 240 × 100 | |
| прямоугольник при +45° | 240 × 160 | |
| прямоугольник при +60° | 150 × 150 | |
| Размер ленточного полотна | 3150 × 27 × 0,9 мм | |
| Подача пильной рамы | Собственный вес с гидравлической регулировкой | |
| Зажим заготовки | Ручной + рычаг быстрой доводки | |
| Высота стола тисков | 910 мм | |
| Объем бака СОЖ | 15 л | |
| Габаритные размеры (мин.) | 1840 × 890 × 1520 мм | |
| Габаритные размеры (макс.) | 2210 × 1720 × 2150 мм | |
| Масса станка | 460 кг | |
| Производство | Чехия | |
| Гарантия | 1 год | |
Комментарии и вопросы:
Комментариев пока нет, но ваш может быть первым.Разметить комментарий или вопрос
Отзывы о ARG 300 Plus Е:
Отзывов пока нет, но ваш может быть первым.Обозначение STALEX используется исключительно для идентификации товаров соответствующего производителя. ООО "Компания "РуСтан" не является правообладателем товарного знака STALEX и не аффилировано с правообладателем.



